138 Bar (2000 psi)
207 Bar (3000 psi)
345 Bar (5000 psi)
NPS
2+1/16
2+9/16
3+1/8
4+1/16
5+1/8
7+1/16
9
11
13+5/8
16+3/4
20+3/4
21+1/4
API Bar
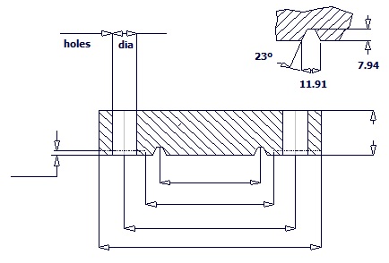
API TYPE 6B BLIND FLANGE